変流器CT
巻きタイプ 5p10 5p20 Ct 100 150 400 5a
  • 巻きタイプ 5p10 5p20 Ct 100 150 400 5a巻きタイプ 5p10 5p20 Ct 100 150 400 5a

巻きタイプ 5p10 5p20 Ct 100 150 400 5a

高品質の計器用変圧器と変流器を供給するために、温州西発電力設備有限公司は、巻線タイプ 5p10 5p20 ct 100 150 400 5a の生産と供給など、顧客へのカスタマイズされたサービスをサポートしています。温州XiFa electricでは、生産チームが100/5a 10p10 0.5変流器などの通常タイプの変流器の在庫を確保し、迅速な納品を確保しています。ただし、保護等級が5p10または5p20の供給変流器など、さまざまな電力需要に対応するカスタマイズサービスをサポートしています。

巻線型変流器は、10kv、20kv、35kv などの中電圧電力システムにおける信頼性の高い電流測定と保護を目的として設計されています。 100/5A、150/5A、および 400/5A の電流比があり、5P10 および 5P20 の保護精度クラスを備えたこの巻線タイプ 5p10 5p20 ct 100 150 400 5a は、測定、計量、保護リレーの両方のアプリケーションに適した正確な二次電流出力を提供します。

固体磁気コアと二次コイルで製造された巻線型変流器は、短絡条件下でも安定した性能を保証し、過渡現象時でも正確な電流変換を実現します。多くの場合、エポキシや高級樹脂が組み込まれた堅牢な絶縁システムにより、安全性、長寿命、湿気や環境ストレスに対する耐性が保証されます。

巻線タイプの設計により、開閉装置、制御パネル、分電盤に柔軟に設置でき、リレー保護スキームの信頼できるサポートを提供します。巻線型変流器は、動作監視と保護制御の両方に正確で信頼性の高い電流測定が不可欠な産業プラント、商業施設、公共配電ネットワークに最適です。

Wound Type 5p10 5p20 Ct 100 150 400 5a

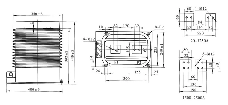
技術仕様:

タイプ 一次定格電流(A) 精度クラス 精度等級と定格出力 cosΦ=0.8 短時間熱電流 (kA/S) 定格動電流(kA)
0.2(秒) 0.5(秒) 10P10
LZZBJ9-35 20~100 0.2/0.2 0.2/0.5 0.2/5P20 0.5/5P20 0.2/0.5/5P 0.2/5P/5P 10 10 15 150I1n 375I1n
150-200 31.5 80
300-500 31.5/2 80
600-1250 15 30 20 31.5/4 80
1500-2000 20 40 30 40/4 125
2500 20 40 20 40/4 125


タイプ 一次定格電流(A) 精度クラス 容量(VA) 短時間熱電流 (kA/S) 定格動電流(kA)
LZZBJ9-35 10 0.2/10P10 0.5/10P10 0.2/5P20 0.5/5P20 0.2/0.5/10P10 0.2/0.5/5P20 0.2/10P10/5P20 0.5/10P10/5P20 15/20 20/20 15/20 20/20 15/20/20 15/20/20 15/20/20 20/20/20 1.5/1 3.75
20 2/1 5
30 3/1 7.5
40 4/1 10
50 5/1 12.5
75 7.5/1 18.75
100 10/1 25
150 15/1 37.5
200 20/1 50
300 31.5/1 80
400 31.5/2 80
500 31.5/2 80
600 31.5/2 80
800 31.5/3 80
1000 31.5/3 80
1200 31.5/3 80
1500 31.5/3 80
2000 31.5/3 80

Wound Type 5p10 5p20 Ct 100 150 400 5a

製品に関するよくある質問:

Q: 創傷タイプ 5p10 5p20 ct 100 150 400 5a における「創傷タイプ 5P10」または「5P20」は何を意味しますか?

A: 「巻線型」という用語は、一次導体がバスバーやコアを通るバーではなく巻線である CT を指します。クラス 5P10 または 5P20 は保護精度を示します。5P は定格二次電流で最大 5% の誤差を意味し、数値 10 または 20 は指定された誤差を超えない範囲で定格一次電流の最大許容短時間倍数です。

Q: システムに適した CT 定格を選択するにはどうすればよいですか?

A: システムの最大負荷電流と保護要件に基づいて CT を選択してください。たとえば、100/5A CT は標準電流が約 100 A の回路に適しており、400/5A は高電流フィーダ用に設計されています。リレーの故障検出感度と予想される短絡電流に応じて、保護クラス (5P10 または 5P20) を選択します。

Q: 傷タイプ 5p10 5p20 ct 100 150 400 5a はどのような環境条件に対応できますか?

A: これらの巻線型変流器は通常、周囲温度 -10 °C ~ +40 °C、最大高度 1000 m までの定格となっています。ハウジング材料と断熱システムは、湿気、塵、汚染に耐性のある動作をするように設計されており、産業および公共施設で信頼性の高い保護性能を保証します。




ホットタグ: 巻線タイプ 5p10 5p20 Ct 100 150 400 5a、変流器サプライヤー、計量変圧器卸売
関連カテゴリー
お問い合わせを送信
連絡先情報

できるだけ早く見積もりを入手するには

XiFa - 信頼できる電気機器サプライヤー
X
当社は Cookie を使用して、より良いブラウジング体験を提供し、サイトのトラフィックを分析し、コンテンツをパーソナライズします。このサイトを使用すると、Cookie の使用に同意したことになります。 プライバシーポリシー
拒否する 受け入れる