計器用変圧器 PT
25 Kv 計器用電磁白金変圧器
  • 25 Kv 計器用電磁白金変圧器25 Kv 計器用電磁白金変圧器

25 Kv 計器用電磁白金変圧器

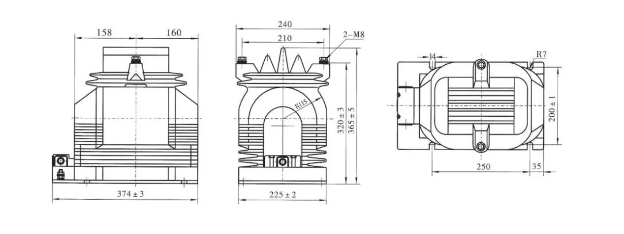
温州XiFa電力設備有限公司は、25 kv計器用電磁pt計器用変圧器などのエポキシ樹脂変圧器および変流器を10年以上生産してきました。 25kv 変圧器は、北米やアメリカの一部の国など、特定の地域の送電網電圧用です。 25kv計器電磁pt計器用変圧器と表示されていますが、採用されている規格は24kvです。温州 XiFa Electric Power Equipment Co., Ltd は、より長い耐用年数を備えた 25 kv 計器用電磁 pt 変圧器を実現するために、精度、絶縁、機械的強度に関するさまざまな成熟した設計ソリューションを備えています。

購入後のヒント変圧器:

1. 試運転の前に、25 kv 計器用電磁 pt 変圧器は、関連する規格および手順で要求されているすべてのテストおよび検査を受ける必要があります。これらには通常、AC 誘電テスト、絶縁抵抗テスト、比率テスト、目視検査が含まれます。

2.25 kv 機器の電磁 pt 変圧器の適切な配線が不可欠です。一次巻線は被測定回路と並列に接続し、二次巻線は測定器、保護リレー、自動装置などの電圧コイルと並列に接続してください。一方、正しい極性を維持することに注意を払う必要があります。

3. 25 kv 変圧器の 2 次側に接続される負荷は、定格容量内でなければなりません。定格二次負荷を超えると、測定誤差が増加し、測定値の精度に影響を与える可能性があります。

4.25 kv 変圧器の二次側を短絡することは固く禁止されています。 PT の内部インピーダンスは非常に低いため、二次短絡により非常に大きな電流が発生し、二次機器に損傷を与え、重大な安全上の問題を引き起こす可能性があります。このような損傷を防ぐために、PT の二次側にヒューズを取り付ける必要があります。可能であれば、一次巻線またはリード線に障害が発生した場合に高電圧ネットワークを保護するために、一次側ヒューズも使用する必要があります。

5. 測定器やリレーを取り扱う作業者の安全のため、PT の二次巻線は 1 点で接地する必要があります。接地後に一次巻線と二次巻線の間の絶縁が損傷した場合に、計器やリレーに発生する高電圧による人体の安全を防ぐことができます。

6.PTの2次側回路はいかなる場合でも短絡させないでください。

25 Kv Instrument Electromagnetic Pt Potential Transformer

技術仕様:

タイプ 定格電圧比(kV) 精度クラス 精度等級と定格出力 cosΦ=0.8 マックス。出力(VA)
0.2 0.5 3(P)
JDZ11-15 15/0.1 0.2 0.5 1 30 80 150 600
JDZ11-20 20/0.1
JDZ11-15 15/0.1/0.1 0.2/0.2 0.2/0.5 0.5/0.5 20 30 該当なし 2*300
JDZ11-20 20/0.1/0.1
JDZ11-15 15/0.1/0.22 0.2/3P 0.5/3P 30 60 100 500
JDZ11-20 20/0.1/0.22

25 Kv Instrument Electromagnetic Pt Potential Transformer

製品に関するよくある質問:

Q: 25 kV 電磁機器の標準二次電圧定格はどれくらいですか?pt変圧器?

A: 25 kV 計器用電磁 pt 変圧器の標準二次電圧は通常 110 V です。この標準化により、計測および保護装置との互換性が確保され、電力システム内での正確な電圧測定と安全な動作が可能になります。


Q: 25 kV 計器用電磁 pt 計器用変圧器は、定格電圧の 115% で連続的に動作できますか?

A: はい、25 kV 変圧器は、二次負荷が変圧器の熱定格を超えない限り、定格電圧の 115% で継続的に動作できます。この機能により、PT の完全性に影響を与えることなく、一時的な過電圧状態が許容されます。


Q: 25 kV 計器用電磁 pt 変圧器の標準的な絶縁クラスは何ですか?

A: 25 kV 変圧器には通常、最大 25 kV の電圧に耐えられる絶縁クラスがあります。絶縁システムは、通常状態および障害状態時に発生する電気ストレスに対処できるように設計されており、信頼性の高い動作と安全性を保証します。





ホットタグ: 25 Kv 計器用電磁 PT 計器用変圧器メーカー、電磁 PT 計器用変圧器サプライヤー、計器用 PT 計器用変圧器の卸売
関連カテゴリー
お問い合わせを送信
連絡先情報

できるだけ早く見積もりを入手するには

XiFa - 信頼できる電気機器サプライヤー
X
当社は Cookie を使用して、より良いブラウジング体験を提供し、サイトのトラフィックを分析し、コンテンツをパーソナライズします。このサイトを使用すると、Cookie の使用に同意したことになります。 プライバシーポリシー
拒否する 受け入れる