計器用変圧器 PT
変電所内の 13.8 Kv 単相変圧器
  • 変電所内の 13.8 Kv 単相変圧器変電所内の 13.8 Kv 単相変圧器

変電所内の 13.8 Kv 単相変圧器

変電所で信頼性の高い 13.8 kV 単相変圧器を製造するため、温州 XiFa Electric Power Equipment Co., Ltd は、コアの主材料としてプレミアム CRGO 電気鋼を採用し、損失値を低減し、精度クラスを向上させます。また、コイルの主材料として高強度エナメル銅線を採用し、精密巻線により巻数比と巻数間の絶縁を確保します。さらに、変電所の各 13.8 kv 単相計器変圧器は、エポキシ樹脂真空鋳造の製造プロセスを採用し、湿気を吸収しにくい全体的な固体構造を作成しており、高温多湿で粉塵の多い環境に適しています。

製品の特徴:

変電所の 13.8 Kv 単相変圧器は、13.8 kv の一次電圧を 100 ボルトや 110 ボルトなどの標準的な二次電圧に降圧するように設計されています。低減された電圧は測定機器や保護リレーの並列巻線に供給され、低電圧機器を使用して間接的に一次電圧測定を行うことができます。このようなアプローチにより、機器の設計が簡素化され、コストが節約され、機器と操作員の両方の安全が確保されます。


13.8 kv 単相変圧器の動作原理は配電変圧器と同じで、その変圧比は 1 次コイルと 2 次コイルの巻数によって決まります。二次巻線の数を増やすと比率は減少し、一次巻線の数を増やすと比率は増加します。 13.8 kv 単相変圧器の二次回路は、いかなる状況でも動作中に短絡してはいけないことに注意することが重要です。

13 8 Kv Single Phase Potential Transformer In Substation

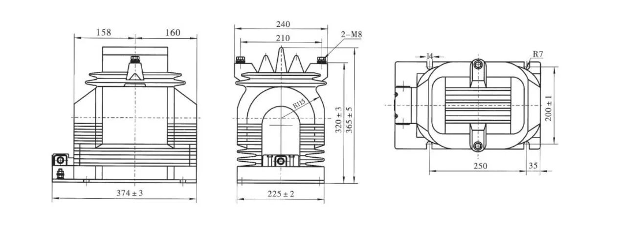
技術仕様:

タイプ 定格電圧比(kV) 精度クラス 精度等級と定格出力 cosΦ=0.8 マックス。出力(VA)
0.2 0.5 1 6(P)
JDZ11-15 (15/√3)/(0.1/√3)/(0.1/3) 0.2/6P 0.5/6P 1/6P 30 80 150 100 400
JDZ11-20 (20/√3)/(0.1/√3)/(0.1/3)
JDZ11-15 (15/√3)/(0.1/√3)/(0.1/√3)/(0.1/3) 0.2/0.2/6P 0.2/0.5/6P 15 20 該当なし 100 2*200
JDZX11-20 (20/√3)/(0.1/√3)/(0.1/√3)/(0.1/3)

13 8 Kv Single Phase Potential Transformer In Substation

製品に関するよくある質問:

Q: 13.8 kv 単相変圧器と 13.8 kv 電力変圧器はどう違うのですか?

A: どちらも電圧変換装置ですが、13.8 kv 単相変圧器は電力伝送ではなく測定と保護を目的として設計されています。定格負荷は比較的小さく、通常 VA で表されますが、電源変圧器は kVA または MVA でカウントされるより大きな値で負荷を処理します。


Q: 13.8 kv 単相変圧器ではどのような絶縁方法が使用されていますか?

A: ほとんど変圧器この電圧レベルでは、屋内サービスにはエポキシ樹脂キャスト絶縁を使用し、屋外設置には磁器/シリコン ハウジングを使用します。一部の設計では、耐用年数の延長とより高い熱容量を実現するために、油浸断熱材を使用しています。


Q: 13.8 kV 単相計器変圧器は変電所にどのように接続すべきですか?

A: 相対接地測定の場合、PT の一次側は 1 つの相と接地の間に接続されます。三相システムでは、単相 PT のセットまたは三相 PT ユニットを使用して、線間電圧および線間電圧と対地電圧を測定できます。


Q: 変電所の 13.8 kV 単相変圧器ではどのような問題が発生する可能性がありますか?

A: 一般的な問題には、絶縁劣化、特定のスイッチング条件下での鉄共振、過剰な負担による過熱、危険な高電圧を引き起こす可能性のある二次回路のオープン状態などが含まれます。



ホットタグ: 変電所の 13.8 Kv 単相変圧器サプライヤー、変電所変圧器卸売
関連カテゴリー
お問い合わせを送信
連絡先情報

できるだけ早く見積もりを入手するには

XiFa - 信頼できる電気機器サプライヤー
X
当社は Cookie を使用して、より良いブラウジング体験を提供し、サイトのトラフィックを分析し、コンテンツをパーソナライズします。このサイトを使用すると、Cookie の使用に同意したことになります。 プライバシーポリシー
拒否する 受け入れる